产品简述
柱上式高压无功补偿装置(PTBBZ)适用于 6、10kV 户外长距离输配电线路中,通过对电容器的自动控制投切,提高功率因数、补偿线路无功功率损耗、提高并稳定线路末端电压、改善线路供电质量。
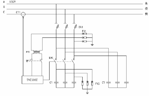
装置主要由跌落式熔断器、氧化锌避雷器、电压互感器、高压真空接触器、户外采样电流互感器、高压并联电容器,控制器、箱体及安装金具等组成。装置满足JB/T10558-2006《柱上式高压无功补偿装置》、DL/T604-2020《高压并联电容器装置使用技术条件》标准要求。
使用环境
型号说明

功能特点
技术参数
|
技术指标 |
具体参数 |
|
额定电压 |
6,10kV |
|
相数 |
三相 |
|
频率 |
50Hz |
|
补偿容量 |
根据线路的无功需求确定 |
|
控制电压 |
VAC:220V 或 100V |
|
控制方式 |
电压无功、电压、无功(功率因数)、时间、电压时间任意选一 |
|
通讯接口 |
RS232/485 |
|
安装方式 |
单杆或双杆 |
|
安装箱体结构 |
一体化/分体式 |
|
电容器分组 |
1∽3 组自动控制(可增加 1组固定补偿) |

电气原理图

安装示意图

补偿安装点的确定
1、用户自行确定;
2、由我公司确定时,用户须提供负荷分布线路图(含各级配变容量)、负荷波动电量参数(含用电高峰时数据)及主要负载特征。
Copyright © 2024 江苏普菲克电能科技有限公司 版权所有 XML地图
地址:镇江市新区姚娇镇瑞江路62号